新闻中心

PRESS CENTER

科技成果快报|高透气、强过滤、长寿命PTFE薄膜口罩 发表时间:2026年03月11日 流览量:238次 分享到:

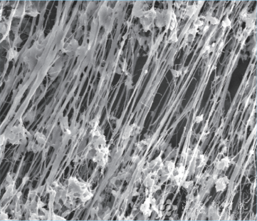
高透气、强过滤、长寿命PTFE薄膜口罩因其高效的过滤性能,已经成为一款高效医用防护口罩。类似于普通医用口罩,PTFE薄膜口罩也包含外层、中间层、内层、耳挂、鼻夹等部分组成。纳米口罩的特殊之处在于中间层采用孔径更小(100-200纳米)的纳米膜构成,一般为PTFE材料。通过单向或者双向拉伸法制备的PTFE薄膜,表面具有蜘蛛网式的微孔结构,在三维结构上具备网状连通、孔镶套、孔道弯曲等非常复杂的变化,因此具备优异的表面过滤功能,主要包括日常防护、医疗防护以及特殊环境防护。


236B3

儿童口罩


35519

KN95口罩

技术优势

本产品中的PTFE复合膜滤芯,孔径为100-200纳米,小于细菌直径,能有效隔档病毒细菌、飞沫、PM2.5、花粉等,可广泛应用于口罩滤芯、空气净化器、空调等空气净化产品中。含有PTFE复合膜滤芯的口罩,滤芯可更换、可重复使用,通过更换过滤滤芯实现口罩的重复利用,避免浪费、保护环境。

口罩内部结构

新材料与产业技术研究院

平台简介:温州大学新材料与产业技术研究院(简称“新材院”)是由温州高新技术产业开发区管理委员会和温州大学于2016年共同设立的具有事业单位性质的...

查看全部

   版权所有 © 温州大学新材料与产业技术研究院        地址:温州海洋科技创业园   电话:0577-85516217   邮箱:wzumit@163.com 浙ICP备07006821号